The GT2560 V4 of my new A10 pro is not working (some capacitor was out of voltage and now it's not powring on)
I get a classical GT2560 but the connections of the LCD+SD is not the same.
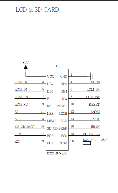
In the two cards there is 20 pins but in the V4 all are in the same 'package' and in the card I buy there is two connections of 10 each, one for LCD and one for SD.
So I need the schema to connect LCD+SD of my A10 pro to the two connections of the 'old' GT2560
Hope my question is easy to understand, here is a photo for more details
Thank you in advance.


