LED Light strip
LED Light strip
I use GT2560 Rev A+, on a I3 Pro B.
To which pin can I attached a LED Strip?
To which pin can I attached a LED Strip?
Re: LED Light strip
The board doesn't supply the pin for LED strip. But I think if your LED strip is 12V and just two wires(one is GND,one is 12V), you can use the FAN port pin of GND and 12v.
-Keep your mind and try to test it.
-Everything will be fun!-Support all Getech printer.
-You can ask me the questions and I will kindly reply.
-Respect others is the best way you can get help!
-Everything will be fun!-Support all Getech printer.
-You can ask me the questions and I will kindly reply.
-Respect others is the best way you can get help!
Re: LED Light strip
Hi William,
Thanks for your reply. - I was wondering if I could use eg. pin 24 X-Max or 28 Y-Max and define this in Marlin as the pin for LED control, as these are not used in my setup.
http://reprap.org/wiki/Geeetech_GT2560
I do not know if the pin numbers are the same on the GT2560 Rev A+.
Thanks for your reply. - I was wondering if I could use eg. pin 24 X-Max or 28 Y-Max and define this in Marlin as the pin for LED control, as these are not used in my setup.
http://reprap.org/wiki/Geeetech_GT2560
I do not know if the pin numbers are the same on the GT2560 Rev A+.
Re: LED Light strip
To clear up, I like the "smart lightning" functions.
// Support for Adafruit Neopixel LED driver
//#define NEOPIXEL_RGBW_LED
#if ENABLED(NEOPIXEL_RGBW_LED)
#define NEOPIXEL_PIN 4 // D4 (EXP2-5 on Printrboard)
#define NEOPIXEL_PIXELS 3
//#define NEOPIXEL_STARTUP_TEST // Cycle through colors at startup
#endif
/**
* Printer Event LEDs
*
* During printing, the LEDs will reflect the printer status:
*
* - Gradually change from blue to violet as the heated bed gets to target temp
* - Gradually change from violet to red as the hotend gets to temperature
* - Change to white to illuminate work surface
* - Change to green once print has finished
* - Turn off after the print has finished and the user has pushed a button
*/
#if ENABLED(BLINKM) || ENABLED(RGB_LED) || ENABLED(RGBW_LED) || ENABLED(PCA9632) || ENABLED(NEOPIXEL_RGBW_LED)
#define PRINTER_EVENT_LEDS
#endif
// Support for Adafruit Neopixel LED driver
//#define NEOPIXEL_RGBW_LED
#if ENABLED(NEOPIXEL_RGBW_LED)
#define NEOPIXEL_PIN 4 // D4 (EXP2-5 on Printrboard)
#define NEOPIXEL_PIXELS 3
//#define NEOPIXEL_STARTUP_TEST // Cycle through colors at startup
#endif
/**
* Printer Event LEDs
*
* During printing, the LEDs will reflect the printer status:
*
* - Gradually change from blue to violet as the heated bed gets to target temp
* - Gradually change from violet to red as the hotend gets to temperature
* - Change to white to illuminate work surface
* - Change to green once print has finished
* - Turn off after the print has finished and the user has pushed a button
*/
#if ENABLED(BLINKM) || ENABLED(RGB_LED) || ENABLED(RGBW_LED) || ENABLED(PCA9632) || ENABLED(NEOPIXEL_RGBW_LED)
#define PRINTER_EVENT_LEDS
#endif
Re: LED Light strip
I don't think you can use the pin 24 and pin 28 because the 24 and 28 are used for X max end-stop and Y max end-stop.
Your LED strip is 5V?
The Pinout you show me is same with GT2560.
Your LED strip is 5V?
The Pinout you show me is same with GT2560.
-Keep your mind and try to test it.
-Everything will be fun!-Support all Getech printer.
-You can ask me the questions and I will kindly reply.
-Respect others is the best way you can get help!
-Everything will be fun!-Support all Getech printer.
-You can ask me the questions and I will kindly reply.
-Respect others is the best way you can get help!
Re: LED Light strip
Dear William,
Correct. LED Strip is 5v, but needs a signal in order to turn on. Needed 3 pins.
VVC
GND
DIN
Power, is no problem, but I need 1 pin for signal.
In the new marlin firmware you can define a pin number to use for exactly this digital signal, in order to have SMART LED control.
As I use only X-min, Y-min Z-min + BL touch (Z-max) I was wondering what pin I perhaps could use for this purpose.
[url=https://ibb.co/ndCAr5][img]https://thumb.ibb.co/ndCAr5/GT2560_Led_pin.jpg[/img][/url]
https://ibb.co/ndCAr5
Correct. LED Strip is 5v, but needs a signal in order to turn on. Needed 3 pins.
VVC
GND
DIN
Power, is no problem, but I need 1 pin for signal.
In the new marlin firmware you can define a pin number to use for exactly this digital signal, in order to have SMART LED control.
As I use only X-min, Y-min Z-min + BL touch (Z-max) I was wondering what pin I perhaps could use for this purpose.
[url=https://ibb.co/ndCAr5][img]https://thumb.ibb.co/ndCAr5/GT2560_Led_pin.jpg[/img][/url]
https://ibb.co/ndCAr5
Re: LED Light strip
I'm in this same position...any solutions? I was originally intending on using my WS2812 ring from Octopi for bed lighting during timelapse but I'm having trouble finding any information on how to implement that. I then turned to my GT2560 board for a solution but there doesn't seem to be any usable pins to output the necessary data (or power the ring 5v)....not to mention getting the code for the lights into Marlin.
Re: LED Light strip
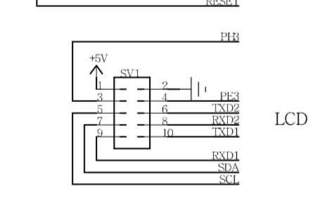
Maybe this one will help?
- Attachments
-
- TXD1.png (17.88 KiB) Viewed 38064 times
-Keep your mind and try to test it.
-Everything will be fun!-Support all Getech printer.
-You can ask me the questions and I will kindly reply.
-Respect others is the best way you can get help!
-Everything will be fun!-Support all Getech printer.
-You can ask me the questions and I will kindly reply.
-Respect others is the best way you can get help!
Re: LED Light strip
LoL...just saw this now. Obviously had notifications off.
It looks like you're suggesting I use the LCD spi? I suppose this would work if I didn't have a screen. I'm in the process of using the SD connection for much the same purpose (TMC2130 drivers). There seems to be a shortage of available pins on this board.
It looks like you're suggesting I use the LCD spi? I suppose this would work if I didn't have a screen. I'm in the process of using the SD connection for much the same purpose (TMC2130 drivers). There seems to be a shortage of available pins on this board.
Re: LED Light strip
Anybody found a way to achieve that ??