Page 1 of 2
Use of GT2560 in place of the V4 for A10 pro
Posted: Fri Jun 05, 2020 9:02 pm
by imag2020
Hi,
The GT2560 V4 of my new A10 pro is not working (some capacitor was out of voltage and now it's not powring on)
I get a classical GT2560 but the connections of the LCD+SD is not the same.
In the two cards there is
20 pins but in the V4 all are in the same 'package' and in the card I buy there is two connections of 10 each, one for LCD and one for SD.
So I need the schema to connect LCD+SD of my A10 pro to the two connections of the 'old' GT2560
Hope my question is easy to understand, here is a photo for more details
Thank you in advance.

Re: Use of GT2560 in place of the V4 for A10 pro
Posted: Sat Jun 06, 2020 9:50 am
by William
Hi,your question is whether this solution is feasible?
Re: Use of GT2560 in place of the V4 for A10 pro
Posted: Sun Jun 07, 2020 7:25 pm
by imag2020
Hi William,
My question is how to do that ? it must be possible, All I need is only to know each pin on both sides: on the ( GT2650 revision A+ card) and on the LCD/SD of my A10 pro printer.
Thank you.
Re: Use of GT2560 in place of the V4 for A10 pro
Posted: Mon Jun 08, 2020 10:01 am
by William
Sorry. This is not feasible, the pins are different, and the firmware cannot be changed.
Re: Use of GT2560 in place of the V4 for A10 pro
Posted: Mon Jun 08, 2020 9:48 pm
by imag2020
Thank you for your response,
I already update firware of my G2560 revison A card,
Can you please help me to find pins description of the LCD of my A10 pro ? (there is 20 pins) any shema or notice ? I'll handel that
Re: Use of GT2560 in place of the V4 for A10 pro
Posted: Tue Jun 09, 2020 9:35 am
by William
Correspond to this picture:

- 微信图片_20200609093432.png (8.01 KiB) Viewed 7047 times
Re: Use of GT2560 in place of the V4 for A10 pro
Posted: Wed Jun 10, 2020 5:09 am
by imag2020
Thank you a lot William,
There's 20 pins in the LCD of my new 10pro, ther's only 10 on your schema.

Re: Use of GT2560 in place of the V4 for A10 pro
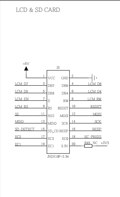
Posted: Wed Jun 10, 2020 9:59 am
by William
Sorry for the mistake, this is

- QQ图片20200610095826.png (42.8 KiB) Viewed 7009 times
Re: Use of GT2560 in place of the V4 for A10 pro
Posted: Wed Jun 10, 2020 2:24 pm
by imag2020
Thank you very match William,
So this is the pins of my LCD here (see pics)
I'll try and let you informed
Thank you again

Re: Use of GT2560 in place of the V4 for A10 pro
Posted: Wed Jun 10, 2020 3:22 pm
by William
Corresponds to this direction

- 微信图片_20200610152229.jpg (311.7 KiB) Viewed 7006 times